首页
场馆预约
馆务公开
直播
志愿服务
文化活动
慕课学习
文化服务
数字资源
艺术展厅
登录
注册
扫一扫,确认提交
x
退出登录
首页
/
馆务公开
/
信息公开
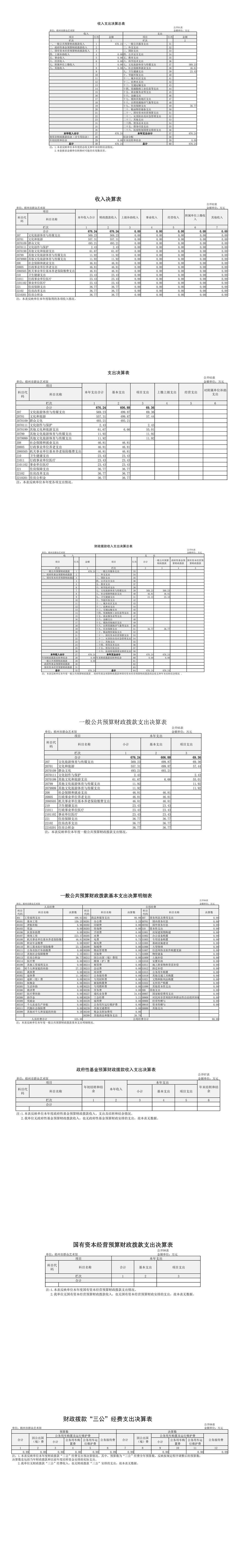
梧州市群众艺术馆2024年度单位决算
作者:
匿名
2025-09-28
发布   
1947
浏览
点击收藏
我是图标
0
赞
分享:
热门动态
【单位预算】梧州市群众艺术馆2026年单位预算及“三公”经费预算情况说明
梧州市群众文化学会简化注销登记公告、债权债务公告
梧州市群众艺术馆2024年度单位决算
梧州市群众艺术馆2025年单位预算及“三公”经费预算情况说明
梧州市群众艺术馆2023年度单位决算
梧州市群众艺术馆2024年单位预算及“三公”经费预算情况说明